EN CN
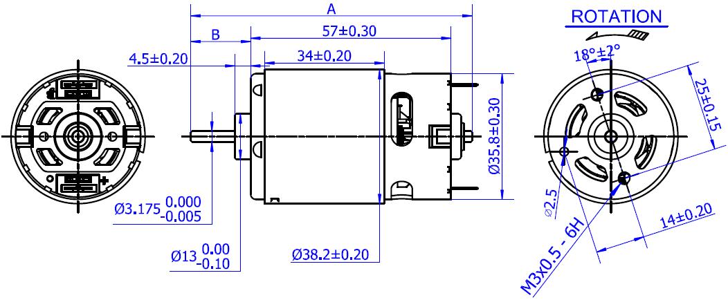
JBSD550PM

JBSD550PM

用途:

产品介绍:

产品详情